卫星通信系统 您当前的位置:首页 > 应用方案 > 方案应用 > 卫星通信系统 > 正文

卫星直播车系统构成与应用

Ku波段卫星车车载天线系统,天线旋转范围±183,车辆可任意停靠而无需考虑车头方位,通过车顶GPS和电子罗盘精确定位,自动完成精准对星,配备无线摄像机微波发射与接收单元,实现摄像机到卫星车的无线传输,特别适于直播传输。

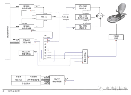
如图1所示,卫星传输系统分为上行系统和下行系统两部分,主要由车载天线系统、高功放、上变频器、编码调制器、LNB (低噪声下变频器)、IRD (解码器)、频谱分析仪、RF跳线排等设备组成。

  1. 上行链路:视音频信号经过编码调制器后,输出L波段信号送入Ku波段上变频单元,变换为Ku波段射频信号,经高功放和天线发射至卫星转发器;

  2. 下行链路:天线接收的卫星信号经LNB放大和变频后,输出L波段信号,经1:4功分器分别送至天线控制器、频谱分析仪、IRD(解码器),对接收信号进行监测。整个车载卫星上行系统中关键设备如高功放(内置上变频器)、编码调制器均采用1:1热备份,当主用设备出现故障,系统在瞬间实现自动切换,以保证直播安全。

车载天线系统   
天线系统由天线主体结构和天线控制器组成。天线主体由主反射面、副反射面、馈源、天线底座、方位/俯仰/极化驱动马达、限位开关等组成。天线采用格里高利双反射面设计,以集中发射能量,提高天线发射效率,减少天线侧后方的微波泄漏。在天线底座安装了两个内置上变频器的行波管高功放和波导网络开关,缩短了高功放输出口到馈源口之间的长度,降低了传输损耗,天线收拢后形成收藏式设备舱,对舱内设备进行有效保护。  
天线控制器根据GPS和电子罗盘提供的现场数据自动计算指向参数,控制天线转动在几分钟内即可完成对星,并实时显示天线的方位角、俯仰角、极化角数据及接收信号强度。

高功放系统   
高功放系统由高功放和高功放控制器及波导网络和切换开关组成,高功放内置了BUC (Block Up Converter,BUC为固定本振的上变频器,本振频率为12800MHz),由BUC将L波段信号变为Ku波段信号,再放大到所需的发射功率,以满足卫星传送的要求。高功放控制器用来控制高功放的开关机及增益调节及高功放备份控制,当主用机故障时,自动或手动将备用机切换到主用状态。高功放内部有一个可变衰减器,通过调节可变衰减器的衰减值即可改变高功放的总增益。

编码调制器   
采用美国编码调制一体机。编码器对视音频信号进行MPEG-2压缩编码,形成各种基本码流再进行复用,产生ASI传输流送调制器,调制器对传输流进行QPSK调制,产生L-band中频信号送BUC。  
通过RCS11切换控制器进行编码调制器的切换,当主用编码调制器出现故障时可自动切换到备用编码调制器,也可进行人工手动切换。

LNB(低噪声下变频器)   
接收到的Ku波段卫星下行信号,经LNB变为L波段信号(950~1450MHz),本系统使用的LNB本振频率为11300MHz。   
IRD(解码器)   
采用美国TIERNAN的TDR4022综合接收解码器,4:2:0和4:2:2解码,将接收的L波段信号进行解调和译码,还原图像及伴音信号。

视音频及无线摄像机微波系统


如图2所示,音频系统全部采用音频嵌入视频信号的方式传输,配备一路无线摄像机微波讯道,两路有线模拟视音频输入,两路有线数字SDI输入,经过数字视频矩阵切换输出,送至编码器和监听监看系统,全部视音频信号都经过视音频跳线盘便于信号调配。设备主要由数字视频矩阵、包含模数转换板和数字视分板的综合机箱、同步机、数字波形监视器、液晶监视器及视音频跳线盘组成。PGM监听监看,监视器具有多路视音频输入和音频解嵌功能,非常适合综合监听监看。
无线摄像机微波系统采用COFDM调制技术,可方便的进行非视距移动微波传输,接收单元具有多路射频输入分集接收功能,车顶安装了全向和定向天线各一部,并在外接口板留有射频输入口,便于在需要时延长接收范围,无线摄像机微波系统极大的提高了直播的“战斗力”,同时也使得卫星车在停放对星上有了更大范围的选择。

DSNG卫星车上星步骤
DSNG卫星车上星步骤为:
1.按卫星公司要求提前申请卫星信道,包括上/下行频率、极化方式、带宽等。
2.传送现场:整车通电,分别将设备加电。
3.打开高功放的输入电(放大器状态指示灯闪烁,进入预热状态,预热完毕后,灯不再闪)。
4.展开天线并寻星。
5.设置其它电子设备(可与寻星过程同步进行)。
6.发送非调制载波至备用高功放,其操作步骤为:
a.开启与假负载相通的行波管放功放的高压(在高功放控制器前面板按备用高功放的TX A 或TX B),并将高功放控制器的监视屏放在显示输出功率;
b.在编码/调制器前面板按CARRIER按钮使该指示灯亮,同时注意高功放控制器显示的输出功率;

c.与卫星公司操作员联系,确认发射频率并准备发射载波到卫星,用频谱仪查看接收卫星频谱,确认在卫星公司给定的频率上无其它载波占用,否则先与卫星公司联系,然后经卫星公司操作员同意发送非调制载波到卫星。
7.在卫星公司操作员指导下调整极化角,使极化隔离度达到卫星公司要求。
8.发送调制载波并传送节目,其操作为:在编码调制器前面板按MOD按钮使该指示灯亮,观察IRD是否能收到信号。如果IRD不能锁定,用频谱仪观察发射载波的频谱,如果功率低,可慢慢增加发射功率,直到IRD锁定,并有3dB以上余量。如果载波功率不低,先检查IRD设置,不要急于增加功率。
9.将所有切换控制器放自动控制状态
10.节目传送完闭,关机,其操作步骤为:从编码调制器前面板按MOD按钮使该指示灯灭;将高功放控制器控制方式设为MANUAL;关闭高功放高压,在高功放控制器前面板按TX A 和TX B,高功放指示灯变为黄色;收藏天线(按天线控制器操作程序执行);高功放控制器显示高功放冷却过程结束时关闭高功放电源。

卫星车使用注意事项
1.在天线转动时应注意观察,如遇有阻挡等情况时,应及时停止天线转动。在自动转动时,可随时按下STOP键,停止天线转动。
2.转动方位角时,注意天线的仰角,仰角太低时,方位角转动受限,先将仰角调高,再转动方位角。
3.手动收藏天线时,一定先将方位角及极化角转到STOW位置,再向下转动仰角。
4.发射载波到卫星前一定确认发射频率为卫星公司给定的频率,天线极化方式正确,调制器符号速率不要超过卫星公司给定的带宽,再检查高功放输出功率,不能高。
5.节目传送完毕,关闭高功放高压电后,不要立即关闭主电源,要等高功放散热完毕再关闭主电源。
6.编码调制器前面板的CARRIER和MOD灯一定要按灭。避免下次使用时,直接将载波发向卫星。
7.LNB所需直流电由IRD提供,频谱仪的直流输出电一定要关闭。每次与频谱仪接信号时要先确认频谱仪的直流供电指示灯不亮。
8.做编码调制器与IRD环路时,一定关闭IRD LNB供电电源。

 

请输入搜索关键字

确定